SF-CS型
| 品番 | SF-CS |
|---|---|
| 設置条件 | 床吊 |
| 材質・耐火 | ステンレス製 |
| 導入方式 | その他 |
| 用途 | 吊会所桝 |
| 規格 | |
| 備考 | |
| 注記 | |
製品説明
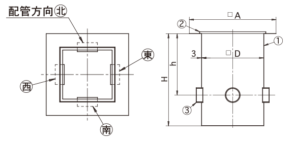
外形寸法図・部品名称表

型式寸法表〔単位mm〕
| 型式 | h | H | 合計重量kg |
|---|---|---|---|
| SF-CS-30-25 | 250 | 500 | 13.6 |
| SF-CS-30-30 | 300 | 550 | 14.6 |
| SF-CS-30-35 | 350 | 600 | 15.5 |
| SF-CS-30-40 | 400 | 650 | 16.5 |
| SF-CS-30-45 | 450 | 700 | 17.4 |
| SF-CS-30-50 | 500 | 750 | 18.4 |
| SF-CS-30-55 | 550 | 800 | 19.4 |
| SF-CS-30-60 | 600 | 850 | 20.3 |
| SF-CS-30-65 | 650 | 900 | 21.3 |
| SF-CS-30-70 | 700 | 950 | 22.2 |
| SF-CS-30-75 | 750 | 1000 | 23.2 |
| SF-CS-30-80 | 800 | 1050 | 24.2 |
| SF-CS-30-85 | 850 | 1100 | 25.1 |
| SF-CS-30-90 | 900 | 1150 | 26.1 |
| SF-CS-30-95 | 950 | 1200 | 27.0 |
| SF-CS-45-25 | 250 | 500 | 21.2 |
| SF-CS-45-30 | 300 | 550 | 22.6 |
| SF-CS-45-35 | 350 | 600 | 24.0 |
| SF-CS-45-40 | 400 | 650 | 25.5 |
| SF-CS-45-45 | 450 | 700 | 26.9 |
| SF-CS-45-50 | 500 | 750 | 28.4 |
| SF-CS-45-55 | 550 | 800 | 29.8 |
| SF-CS-45-60 | 600 | 850 | 31.2 |
| SF-CS-45-65 | 650 | 900 | 32.7 |
| SF-CS-45-70 | 700 | 950 | 34.1 |
| SF-CS-45-75 | 750 | 1000 | 35.6 |
| SF-CS-45-80 | 800 | 1050 | 37.0 |
| SF-CS-45-85 | 850 | 1100 | 38.4 |
| SF-CS-45-90 | 900 | 1150 | 39.9 |
| SF-CS-45-95 | 950 | 1200 | 41.3 |
| SF-CS-50-25 | 250 | 500 | 35.8 |
| SF-CS-50-30 | 300 | 550 | 38.2 |
| SF-CS-50-35 | 350 | 600 | 40.6 |
| SF-CS-50-40 | 400 | 650 | 43.0 |
| SF-CS-50-45 | 450 | 700 | 45.4 |
| SF-CS-50-50 | 500 | 750 | 47.8 |
| SF-CS-50-55 | 550 | 800 | 50.2 |
| SF-CS-50-60 | 600 | 850 | 52.6 |
| SF-CS-50-65 | 650 | 900 | 55.0 |
| SF-CS-50-70 | 700 | 950 | 57.4 |
| SF-CS-50-75 | 750 | 1000 | 59.8 |
| SF-CS-50-80 | 800 | 1050 | 62.2 |
| SF-CS-50-85 | 850 | 1100 | 64.6 |
| SF-CS-50-90 | 900 | 1150 | 67.0 |
| SF-CS-50-95 | 950 | 1200 | 69.4 |
| SF-CS-60-25 | 250 | 500 | 44.2 |
| SF-CS-60-30 | 300 | 550 | 47.0 |
| SF-CS-60-35 | 350 | 600 | 49.9 |
| SF-CS-60-40 | 400 | 650 | 52.8 |
| SF-CS-60-45 | 450 | 700 | 55.7 |
| SF-CS-60-50 | 500 | 750 | 58.6 |
| SF-CS-60-55 | 550 | 800 | 61.4 |
| SF-CS-60-60 | 600 | 850 | 64.3 |
| SF-CS-60-65 | 650 | 900 | 67.2 |
| SF-CS-60-70 | 700 | 950 | 70.1 |
| SF-CS-60-75 | 750 | 1000 | 73.0 |
| SF-CS-60-80 | 800 | 1050 | 75.8 |
| SF-CS-60-85 | 850 | 1100 | 78.7 |
| SF-CS-60-90 | 900 | 1150 | 81.6 |
| SF-CS-60-95 | 950 | 1200 | 84.5 |
部品名称表
| 番号 | 部品名称 | 材質 | 表面処理・備考 |
|---|---|---|---|
| ① | 本体 | SUS304 | |
| ② | 防水層止め | SUS304 | |
| ③ | ソケット | SUS304 | 別途 |
開閉用具
| 画像 | 品番 | 名称 | 定価 | 承認図 | 備考 |
|---|---|---|---|---|---|
大阪本社
TEL
06-6541-2924(代)
東京支店
TEL
03-3831-2646(代)
中部営業所
TEL
059-364-2631(代)
九州営業所
TEL
0942-87-2924(代)

マンホールカバー
フロアハッチ、マシンハッチ
タラップ、丸環
グレーチング
ピットカバー
ルーフドレイン
上水道用ボックス
排水器具
阻集器(Gトラップ等)・吊会所桝
グリーンメイト(樹木保護蓋)
グリーンホルダー(樹木保護支柱)
車止め
ライナーエッジ