SF-CBGL-2型
| 品番 | SF-CBGL-2 |
|---|---|
| 種類 | 化粧(ブロック・石張) |
| 蓋形状 | 角蓋 |
| 枠形状 | 角座 |
| 防水防臭レベル | 防水防臭 |
| 荷重レベル | レベルD中荷重(敷地内) |
| 規格 | |
| 備考 | スライド開閉、ボルト固定式、鋳物目地、耐破壊60kN(6t敷地内) |
| 注記 | サイズ75以上はハンドル掛りが1カ所ですので専用開閉機(別売)をご使用下さい。 |
| 型式 | 定価 | CAD (DXF) |
CAD (DWG) |
納まり図 | 承認図 | その他 |
|---|---|---|---|---|---|---|
| SF-30CBGL-2 | 123,600円 |
|
||||
| SF-35CBGL-2 | 134,000円 |
|
||||
| SF-45CBGL-2 | 141,200円 |
|
|
|
||
| SF-50CBGL-2 | 169,400円 |
|
|
|
||
| SF-60CBGL-2 | 185,600円 |
|
|
|
||
| SF-75CBGL-2 | 332,500円 |
|
|
|
||
| SF-90CBGL-2 | 420,000円 |
|
|
|
製品説明
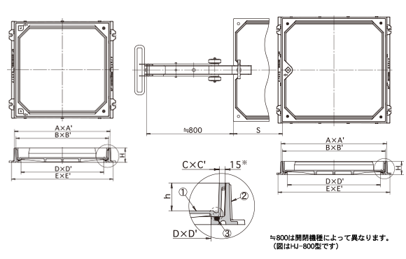
外形寸法図・部品名称表

型式寸法表〔単位mm〕
| 型式 | D×D' | A×A' | B×B' | C×C' | E×E' | h | H | S | 蓋kg | 充填時蓋kg | 合計重量kg |
|---|---|---|---|---|---|---|---|---|---|---|---|
| SF-30CBGL-2 | 300×300 | 392×392 | 372×372 | 342×342 | 435×400 | 70 | 105 | 350 | 16 | 30 | 35 |
| SF-35CBGL-2 | 350×350 | 442×442 | 422×422 | 392×392 | 485×450 | 70 | 105 | 400 | 20 | 39 | 41 |
| SF-45CBGL-2 | 450×450 | 542×542 | 522×522 | 492×492 | 585×550 | 70 | 105 | 500 | 28 | 60 | 54 |
| SF-50CBGL-2 | 500×500 | 592×592 | 572×572 | 542×542 | 635×600 | 70 | 105 | 550 | 31 | 70 | 58 |
| SF-60CBGL-2 | 600×600 | 692×692 | 672×672 | 642×642 | 735×700 | 70 | 105 | 650 | 39 | 95 | 72 |
| SF-75CBGL-2 | 750×750 | 852×852 | 832×832 | 802×802 | 905×860 | 70 | 105 | 800 | 80 | 167 | 126 |
| SF-90CBGL-2 | 900×900 | 1006×1006 | 982×982 | 952×952 | 1065×1014 | 70 | 105 | 950 | 109 | 233 | 166 |
部品名称表
| 番号 | 部品名称 | 材質 | 表面処理・備考 |
|---|---|---|---|
| ① | 蓋 | FC200 | 防錆塗装 |
| ② | 受枠 | FC200 | 防錆塗装 |
| ③ | パッキング | CR | |
| キャスター | SUS304 | ||
| 締付ボルト | SUS304 | M10 | |
| 保護キャップ | EPDM | No.N-G |
開閉用具
| 画像 | 品番 | 名称 | 定価 | 承認図 | 備考 |
|---|---|---|---|---|---|
![]() |
No.5-8型 | 六角レンチ(8mm) | 1,200円 | ||
![]() |
No.26 | 開閉ハンドル | 7,200円 | サイズ30〜60 | |
![]() |
No.24型 | T形開閉ハンドル | 7,500円 | SC−900使用の場合 | |
![]() |
No.25型 | T形開閉ハンドル(スライド用) | 9,700円 | HJ-800、-1000使用の場合 | |
![]() |
SC-900型 | 開閉機 | 130,000円 | サイズ30〜60 | |
![]() |
HJ-800型 | 開閉機 | 173,900円 | サイズ75 | |
![]() |
HJ-1000 | 開閉機 | 305,900円 | サイズ90 |
大阪本社
TEL
06-6541-2924(代)
東京支店
TEL
03-3831-2646(代)
中部営業所
TEL
059-364-2631(代)
九州営業所
TEL
0942-87-2924(代)








マンホールカバー
フロアハッチ、マシンハッチ
タラップ、丸環
グレーチング
ピットカバー
ルーフドレイン
上水道用ボックス
排水器具
阻集器(Gトラップ等)・吊会所桝
グリーンメイト(樹木保護蓋)
グリーンホルダー(樹木保護支柱)
車止め
ライナーエッジ