SF-DKHR-BWR
| 品番 | SF-DKHR-BWR |
|---|---|
| 種類 | 一般蓋 |
| 蓋形状 | 丸蓋 |
| 枠形状 | 丸座 |
| 防水防臭レベル | 完全防水防臭(耐内水圧のみ) |
| 荷重レベル | レベルD重荷重(敷地内) |
| 規格 | |
| 備考 | ボルト固定、耐破壊200kN(20t敷地内)、内水圧0.1MPa可能 |
| 注記 | |
製品説明
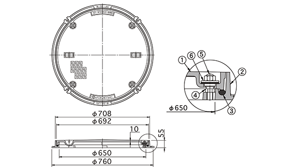
外形寸法図・部品名称表

型式寸法表
| 型式 | 蓋kg | 合計重量kg |
|---|---|---|
| SF-65DKHR-BWR | 37 | 53 |
部品名称表
| 番号 | 部品名称 | 材質 | 表面処理・備考 |
|---|---|---|---|
| ① | 蓋 | FCD500 | 防錆塗装 |
| ② | 受枠 | FC200 | 防錆塗装 |
| ③ | パッキング | NBR | |
| ④ | スタッドボルト | SUS304 | M12/締付トルク値60N・m |
| ⑤ | 袋ナット | SUS304/NBR |
開閉用具
| 画像 | 品番 | 名称 | 定価 | 承認図 | 備考 |
|---|---|---|---|---|---|
![]() |
No.3型 | 把手カバー(小) | 900円 | φ650 | |
![]() |
No.8型 | 開閉ハンドル(カギ形) | 2,600円 | (別売) | |
![]() |
No.10-19型 | 六角ボックス(19mm・M12) | 3,300円 | (別売) |
大阪本社
TEL
06-6541-2924(代)
東京支店
TEL
03-3831-2646(代)
中部営業所
TEL
059-364-2631(代)
九州営業所
TEL
0942-87-2924(代)




マンホールカバー
フロアハッチ、マシンハッチ
タラップ、丸環
グレーチング
ピットカバー
ルーフドレイン
上水道用ボックス
排水器具
阻集器(Gトラップ等)・吊会所桝
グリーンメイト(樹木保護蓋)
グリーンホルダー(樹木保護支柱)
車止め
ライナーエッジ