SF-HGS-NXET型
| 品番 | SF-HGS-NXET |
|---|---|
| 設置条件 | 地中埋設 |
| 材質・耐火 | ステンレス製 |
| 導入方式 | 側溝流入式 |
| 用途 | グリーストラップ |
| 規格 | |
| 備考 | 3槽式 |
| 注記 | |
製品説明
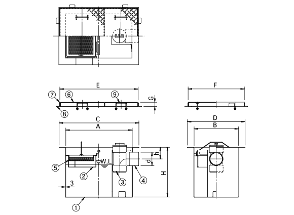
外形寸法図・部品名称表

型式寸法表型式寸法表〔単位mm〕
| 型式 | 許容流入量ℓ/min | 槽数 | d | h | H | A | B | C | D | E | F | G | 蓋枚数 | 本体重量kg | 蓋重量kg |
|---|---|---|---|---|---|---|---|---|---|---|---|---|---|---|---|
| SF-HGS-NX50ET | 50.0 | 3 | Rp3 | 109 | 400 | 600 | 250 | 720 | 370 | 710 | 360 | 40 | 1 | 32.0 | 8.0 |
| SF-HGS-NX70ET | 70.0 | 3 | Rp4 | 105 | 450 | 600 | 400 | 720 | 520 | 708 | 508 | 39 | 2 | 43.0 | 11.0 |
| SF-HGS-NX120ET | 120.0 | 3 | Rp4 | 125 | 450 | 800 | 400 | 920 | 520 | 908 | 508 | 39 | 3 | 50.0 | 15.0 |
| SF-HGS-NX150ET | 150.0 | 3 | Rp4 | 125 | 450 | 1000 | 400 | 1120 | 520 | 1108 | 508 | 39 | 3 | 59.0 | 18.0 |
| SF-HGS-NX200ET | 200.0 | 3 | Rp4 | 125 | 450 | 1000 | 500 | 1120 | 620 | 1108 | 608 | 39 | 3 | 65.0 | 21.0 |
| SF-HGS-NX250ET | 250.0 | 3 | Rp5 | 110 | 500 | 1200 | 500 | 1320 | 620 | 1308 | 608 | 39 | 4 | 81.0 | 25.0 |
| SF-HGS-NX300ET | 300.0 | 3 | Rp5 | 110 | 500 | 1400 | 500 | 1520 | 620 | 1510 | 610 | 40 | 4 | 90.0 | 28.0 |
| SF-HGS-NX400ET | 400.0 | 3 | Rp5 | 110 | 500 | 1500 | 600 | 1620 | 720 | 1610 | 710 | 40 | 4 | 102.0 | 34.0 |
部品名称表
| 番号 | 部品名称 | 材質 | 表面処理・備考 |
|---|---|---|---|
| ① | 本体 | SUS304 | |
| ② | 仕切板 | SUS304 | |
| ③ | 封水トラップ | 硬質塩化ビニル | |
| ④ | ソケット | SUS304 | |
| ⑤ | バスケット | SUS304 | |
| ⑥ | 蓋 | SS400 | 防錆塗装 |
| ⑦ | 受枠 | SUS304 | |
| ⑧ | アンカー | SS400 | 防錆塗装 |
| ⑨ | 把手 | SS400 | 防錆塗装 |
開閉用具
| 画像 | 品番 | 名称 | 定価 | 承認図 | 備考 |
|---|---|---|---|---|---|
大阪本社
TEL
06-6541-2924(代)
東京支店
TEL
03-3831-2646(代)
中部営業所
TEL
059-364-2631(代)
九州営業所
TEL
0942-87-2924(代)

マンホールカバー
フロアハッチ、マシンハッチ
タラップ、丸環
グレーチング
ピットカバー
ルーフドレイン
上水道用ボックス
排水器具
阻集器(Gトラップ等)・吊会所桝
グリーンメイト(樹木保護蓋)
グリーンホルダー(樹木保護支柱)
車止め
ライナーエッジ