FJN型
| 品番 | FJN |
|---|---|
| 種類 | 排水用 |
| 材質 | ステンレス鋼 |
| 用途 | 集水桝用 |
| 規格 | |
| 備考 | 滑止 |
| 注記 |
| 型式 | 定価 | CAD (DXF) |
CAD (DWG) |
納まり図 | 承認図 | その他 |
|---|---|---|---|---|---|---|
| FJN-203 | 10,100円 |
|
||||
| FJN-204 | 12,100円 |
|
||||
| FJN-253 | 13,700円 |
|
||||
| FJN-254 | 16,500円 |
|
||||
| FJN-303 | 19,000円 |
|
||||
| FJN-304 | 21,800円 |
|
||||
| FJN-354 | 26,800円 |
|
|
|
||
| FJN-404 | 35,000円 |
|
||||
| FJN-454 | 41,100円 |
|
||||
| FJN-504 | 48,700円 |
|
製品説明
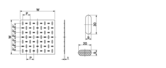
外形寸法図・部品名称表

型式寸法表〔単位mm・開口面積mm2〕
| 型式 | 適用桝径 | W | t | P | P' | 開口面積mm2 |
|---|---|---|---|---|---|---|
| FJN-203 | 150用 | 179 | 3 | 70 | 48 | 1263 |
| FJN-204 | 150用 | 179 | 4 | 70 | 48 | 1263 |
| FJN-253 | 200用 | 229 | 3 | 70 | 36.5 | 3.283 |
| FJN-254 | 200用 | 229 | 4 | 70 | 36.5 | 3283 |
| FJN-303 | 250用 | 279 | 3 | 70 | 32.5 | 6315 |
| FJN-304 | 250用 | 279 | 4 | 70 | 32.5 | 6315 |
| FJN-354 | 300用 | 329 | 4 | 70 | 41 | 8083 |
| FJN-404 | 350用 | 379 | 4 | 70 | 37 | 10356 |
| FJN-454 | 400用 | 429 | 4 | 70 | 43 | 12630 |
| FJN-504 | 450用 | 479 | 4 | 70 | 39.5 | 18.187 |
部品名称表
| 番号 | 部品名称 | 材質 | 表面処理・備考 |
|---|---|---|---|
開閉用具
| 画像 | 品番 | 名称 | 定価 | 承認図 | 備考 |
|---|---|---|---|---|---|
大阪本社
TEL
06-6541-2924(代)
東京支店
TEL
03-3831-2646(代)
中部営業所
TEL
059-364-2631(代)
九州営業所
TEL
0942-87-2924(代)

マンホールカバー
フロアハッチ、マシンハッチ
タラップ、丸環
グレーチング
ピットカバー
ルーフドレイン
上水道用ボックス
排水器具
阻集器(Gトラップ等)・吊会所桝
グリーンメイト(樹木保護蓋)
グリーンホルダー(樹木保護支柱)
車止め
ライナーエッジ