ETA型
| 品番 | ETA |
|---|---|
| 種類 | 配線用 |
| 材質 | ステンレス鋼 |
| 用途 | 側溝用 |
| 規格 | |
| 備考 | 磁器タイル用 |
| 注記 |
| 型式 | 定価 | CAD (DXF) |
CAD (DWG) |
納まり図 | 承認図 | その他 |
|---|---|---|---|---|---|---|
| ETA-2060 | 31,400円 |
|
||||
| ETA-2560 | 37,100円 |
|
|
|
||
| ETA-3060 | 42,300円 |
|
||||
| ETA-3560 | 47,800円 |
|
製品説明
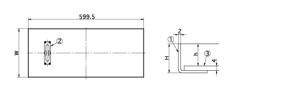
外形寸法図・部品名称表

型式寸法表〔単位mm〕
| 型式 | 適用溝幅 | h | W | H | 蓋kg |
|---|---|---|---|---|---|
| ETA-2060 | 150用 | 19 | 203 | 25 | 4.4 |
| ETA-2560 | 200用 | 19 | 253 | 25 | 5.5 |
| ETA-3060 | 250用 | 19 | 303 | 25 | 6.5 |
| ETA-3560 | 300用 | 19 | 353 | 25 | 7.5 |
部品名称表
| 番号 | 部品名称 | 材質 | 表面処理・備考 |
|---|---|---|---|
| ① | 本体 | SUS304 | ヘアライン仕上 |
| ② | 把手 | SUS304 | 別売 |
| ③ | プレート | SUS304 |
開閉用具
| 画像 | 品番 | 名称 | 定価 | 承認図 | 備考 |
|---|---|---|---|---|---|
大阪本社
TEL
06-6541-2924(代)
東京支店
TEL
03-3831-2646(代)
中部営業所
TEL
059-364-2631(代)
九州営業所
TEL
0942-87-2924(代)

マンホールカバー
フロアハッチ、マシンハッチ
タラップ、丸環
グレーチング
ピットカバー
ルーフドレイン
上水道用ボックス
排水器具
阻集器(Gトラップ等)・吊会所桝
グリーンメイト(樹木保護蓋)
グリーンホルダー(樹木保護支柱)
車止め
ライナーエッジ