EPB型
| 品番 | EPB |
|---|---|
| 種類 | 配線用 |
| 材質 | ステンレス鋼 |
| 用途 | 側溝用 |
| 規格 | |
| 備考 | プラスタイル用 |
| 注記 |
| 型式 | 定価 | CAD (DXF) |
CAD (DWG) |
納まり図 | 承認図 | その他 |
|---|---|---|---|---|---|---|
| EPB-2060 | 15,000円 |
|
||||
| EPB-2560 | 16,800円 |
|
|
|
||
| EPB-3060 | 17,500円 |
|
||||
| EPB-3560 | 19,600円 |
|
||||
| EPB-4060 | 21,400円 |
|
||||
| EPB-4560 | 23,000円 |
|
||||
| EPB-5060 | 25,100円 |
|
製品説明
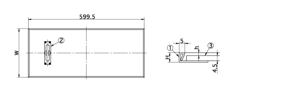
外形寸法図・部品名称表

型式寸法表〔単位mm〕
| 型式 | 適用溝幅 | h | W | H | 蓋kg |
|---|---|---|---|---|---|
| EPB-2060 | 150用 | 2.5 | 203 | 8.2 | 4.6 |
| EPB-2560 | 200用 | 2.5 | 253 | 8.2 | 5.7 |
| EPB-3060 | 250用 | 2.5 | 303 | 8.2 | 6.8 |
| EPB-3560 | 300用 | 2.5 | 353 | 8.2 | 7.9 |
| EPB-4060 | 350用 | 2.5 | 403 | 8.2 | 9 |
| EPB-4560 | 400用 | 2.5 | 453 | 8.2 | 10.1 |
| EPB-5060 | 450用 | 2.5 | 503 | 8.2 | 12.2 |
部品名称表
| 番号 | 部品名称 | 材質 | 表面処理・備考 |
|---|---|---|---|
| ① | 本体 | SUS304 | ヘアライン仕上 |
| ② | 把手 | SUS304 | 別売 |
| ③ | プレート | SGHC | 亜鉛めっき |
開閉用具
| 画像 | 品番 | 名称 | 定価 | 承認図 | 備考 |
|---|---|---|---|---|---|
大阪本社
TEL
06-6541-2924(代)
東京支店
TEL
03-3831-2646(代)
中部営業所
TEL
059-364-2631(代)
九州営業所
TEL
0942-87-2924(代)

マンホールカバー
フロアハッチ、マシンハッチ
タラップ、丸環
グレーチング
ピットカバー
ルーフドレイン
上水道用ボックス
排水器具
阻集器(Gトラップ等)・吊会所桝
グリーンメイト(樹木保護蓋)
グリーンホルダー(樹木保護支柱)
車止め
ライナーエッジ