SF-BWR型
| 品番 | SF-BWR |
|---|---|
| 種類 | 散水栓 |
| 材質 | ステンレス鋼 |
| 用途 | 壁露出用 |
| 規格 | |
| 備考 | |
| 注記 | |
製品説明
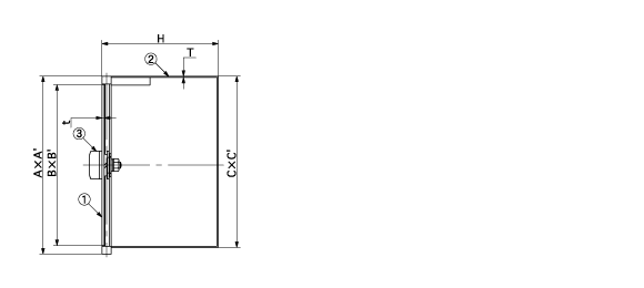
外形寸法図・部品名称表

型式寸法表〔単位mm〕
| 型式 | 使用区分 | A | A’ | B | B’ | C | C’ | t | T | H | 合計重量kg |
|---|---|---|---|---|---|---|---|---|---|---|---|
| SF-BWR-1 | 13~20㎜用 | 230 | 190 | 208 | 168 | 221.5 | 190 | 3 | 1.5 | 150 | 3.6 |
| SF-BWR-2 | 25㎜用 | 320 | 220 | 298 | 198 | 311.5 | 220 | 3 | 1.5 | 150 | 5.2 |
部品名称表
| 番号 | 部品名称 | 材質 | 表面処理・備考 |
|---|---|---|---|
| ① | 蓋 | SUS304 | ヘアライン仕上 |
| ② | 受枠 | SUS304 | ヘアライン仕上 |
| ③ | 把手 | ZDC | クロムめっき |
開閉用具
| 画像 | 品番 | 名称 | 定価 | 承認図 | 備考 |
|---|---|---|---|---|---|
大阪本社
TEL
06-6541-2924(代)
東京支店
TEL
03-3831-2646(代)
中部営業所
TEL
059-364-2631(代)
九州営業所
TEL
0942-87-2924(代)

マンホールカバー
フロアハッチ、マシンハッチ
タラップ、丸環
グレーチング
ピットカバー
ルーフドレイン
上水道用ボックス
排水器具
阻集器(Gトラップ等)・吊会所桝
グリーンメイト(樹木保護蓋)
グリーンホルダー(樹木保護支柱)
車止め
ライナーエッジ