B3-2型
| 品番 | B3-2 |
|---|---|
| 種類 | 散水栓 |
| 材質 | 鋳鉄製 |
| 用途 | その他 |
| 規格 | |
| 備考 | |
| 注記 | |
製品説明
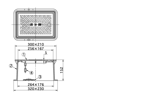
外形寸法図・部品名称表

型式寸法表
| 型式 | 合計重量kg |
|---|---|
| B3-2 | 13 |
部品名称表
| 番号 | 部品名称 | 材質 | 表面処理・備考 |
|---|---|---|---|
| ① | 蓋 | FC200 | 防錆塗装 |
| ② | 受枠 | FC200 | 防錆塗装 |
| ③ | 固定金具 | FC200 | 防錆塗装 |
| ④ | 鎖 | SWRM | 溶融亜鉛めっき |
開閉用具
| 画像 | 品番 | 名称 | 定価 | 承認図 | 備考 |
|---|---|---|---|---|---|
大阪本社
TEL
06-6541-2924(代)
東京支店
TEL
03-3831-2646(代)
中部営業所
TEL
059-364-2631(代)
九州営業所
TEL
0942-87-2924(代)

マンホールカバー
フロアハッチ、マシンハッチ
タラップ、丸環
グレーチング
ピットカバー
ルーフドレイン
上水道用ボックス
排水器具
阻集器(Gトラップ等)・吊会所桝
グリーンメイト(樹木保護蓋)
グリーンホルダー(樹木保護支柱)
車止め
ライナーエッジ