B6型
| 品番 | B6 |
|---|---|
| 種類 | 止水栓 |
| 材質 | 鋳鉄製 |
| 用途 | その他 |
| 規格 | JCW / |
| 備考 | JCW104(B6)、弁きょう |
| 注記 | |
製品説明
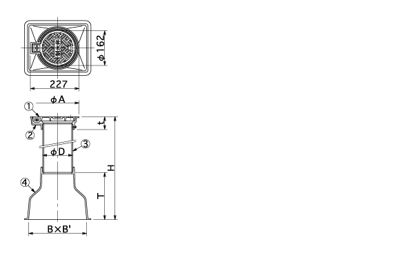
外形寸法図・部品名称表

型式寸法表〔単位mm〕
| 型式 | 使用区分 | D | A | B | B' | t | T | H | 合計重量kg |
|---|---|---|---|---|---|---|---|---|---|
| B6-1A | 100mm以下 | 140 | 200 | 270 | 215 | 60 | 220 | 1620 | 21.6 |
| B6-1B | 100mm以下 | 140 | 200 | 270 | 215 | 60 | 220 | 1120 | 19.4 |
| B6-2A | 150mm以下 | 140 | 200 | 330 | 235 | 60 | 260 | 1660 | 22.6 |
| B6-2B | 150mm以下 | 140 | 200 | 330 | 235 | 60 | 260 | 1160 | 20.4 |
部品名称表
| 番号 | 部品名称 | 材質 | 表面処理・備考 |
|---|---|---|---|
| ① | 蓋 | FC200 | 防錆塗装 |
| ② | 受枠 | FC200 | 防錆塗装 |
| ③ | 調整管 | 硬質塩ビ | VP |
| ④ | 受座 | FC200 | 防錆塗装 |
開閉用具
| 画像 | 品番 | 名称 | 定価 | 承認図 | 備考 |
|---|---|---|---|---|---|
大阪本社
TEL
06-6541-2924(代)
東京支店
TEL
03-3831-2646(代)
中部営業所
TEL
059-364-2631(代)
九州営業所
TEL
0942-87-2924(代)

マンホールカバー
フロアハッチ、マシンハッチ
タラップ、丸環
グレーチング
ピットカバー
ルーフドレイン
上水道用ボックス
排水器具
阻集器(Gトラップ等)・吊会所桝
グリーンメイト(樹木保護蓋)
グリーンホルダー(樹木保護支柱)
車止め
ライナーエッジ